給水装置工事主任技術者 過去問
令和7年度(2025年)
問33 (給水装置計画論 問4)
問題文
【算出手順】
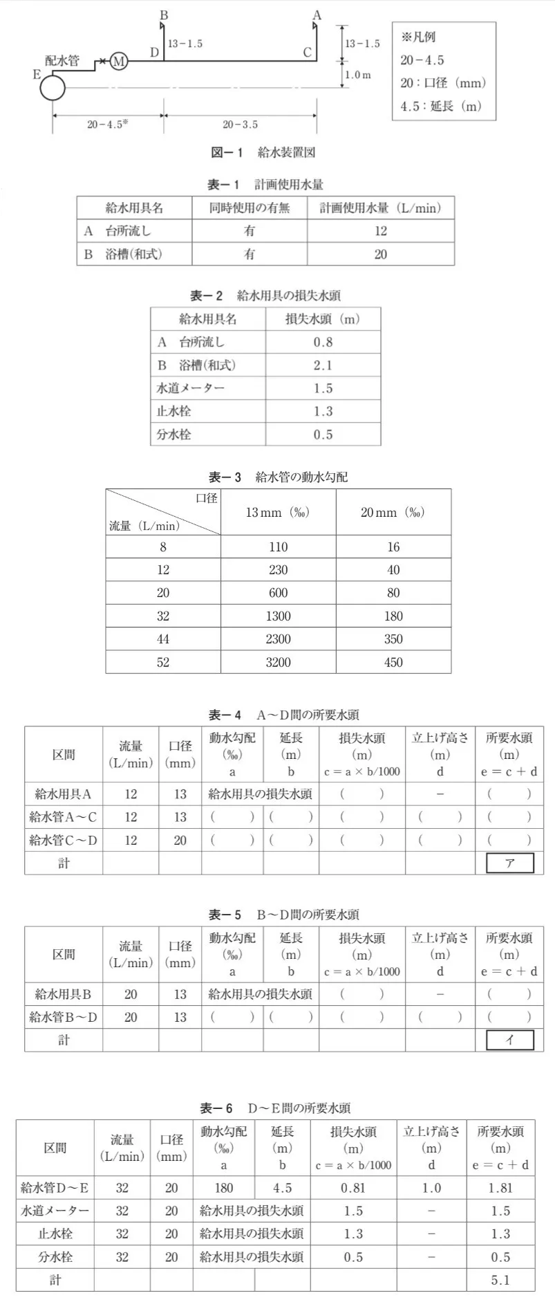
①はじめに、各区間の口径を図-1のように給水本管を20mm、給水装置への分岐は13mmと仮定する。
②次に、各区間における流量について、表-1より同時使用水量を考慮し算出すると、A〜C間及びC〜D間は12L/min、B〜D間は20L/min、D〜E間は32L/minとなる。
③次に、分岐点DにおけるA〜D間及びB〜D間の所要水頭をそれぞれ求め、その最大値が分岐点Dにおける所要水頭になる。
④A〜D間における所要水頭については、表-4より( ア )mとなり、また、B〜D間における所要水頭については、同じく表-5より( イ )mとなる。そのため、分岐点Dにおける所要水頭は( ウ )mとなる。
⑤最後に、D〜E間における所要水頭については、表-6より5.1mとなり、給水装置全体の全所要水頭は( エ )mとなる。
このページは閲覧用ページです。
履歴を残すには、 「新しく出題する(ここをクリック)」 をご利用ください。
問題
給水装置工事主任技術者試験 令和7年度(2025年) 問33(給水装置計画論 問4) (訂正依頼・報告はこちら)
【算出手順】
①はじめに、各区間の口径を図-1のように給水本管を20mm、給水装置への分岐は13mmと仮定する。
②次に、各区間における流量について、表-1より同時使用水量を考慮し算出すると、A〜C間及びC〜D間は12L/min、B〜D間は20L/min、D〜E間は32L/minとなる。
③次に、分岐点DにおけるA〜D間及びB〜D間の所要水頭をそれぞれ求め、その最大値が分岐点Dにおける所要水頭になる。
④A〜D間における所要水頭については、表-4より( ア )mとなり、また、B〜D間における所要水頭については、同じく表-5より( イ )mとなる。そのため、分岐点Dにおける所要水頭は( ウ )mとなる。
⑤最後に、D〜E間における所要水頭については、表-6より5.1mとなり、給水装置全体の全所要水頭は( エ )mとなる。
- (ア) 1.3 (イ) 3.0 (ウ) 3.0 (エ) 8.1
- (ア) 1.3 (イ) 3.0 (ウ) 4.3 (エ) 9.4
- (ア) 2.8 (イ) 4.5 (ウ) 4.5 (エ) 9.6
- (ア) 2.8 (イ) 4.5 (ウ) 7.3 (エ) 12.4
正解!素晴らしいです
残念...
この過去問の解説
前の問題(問32)へ
令和7年度(2025年) 問題一覧
次の問題(問34)へ